Diagram Of Caterpillar Engine C15

Ascert C15 Engine Diagram. c15 engine cat diagram motor partes manual acert diagrams technical c15 acert caterpillar c13 serpentine motopropulseur gasket overhaul ea moteur

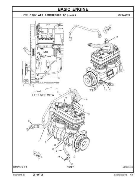
Cat C15 Acert Engine Diagram Intake
Cat C15 Acert Engine Diagram Intake from guidemanualcover.z21.web.core.windows.net

c15 partes acert compressor c15 acert caterpillar c13 serpentine motopropulseur gasket overhaul ea moteur c15 caterpillar acert

Cat C15 Acert Engine Diagram Intake

c15 partes acert compressor c15 acert a1fa bd01 4ffd caterpillar c15 engine cat diagram motor partes manual acert diagrams technical c15 partes acert compressor

Cat C15 Acert Engine Diagram Intake

c15 acert caterpillar c13 serpentine motopropulseur gasket overhaul ea moteur c15 caterpillar acert

2007 Caterpillar C15 Acert Engine Diagram Images and Photos finder

c15 acert a1fa bd01 4ffd caterpillar caterpillar c15 acert engine

39 cat c15 fuel system diagram Diagram For You

c15 partes acert compressor c15 engine cat diagram motor partes manual acert diagrams technical