Mercury Remote Starter Diagram . wiring mercury diagram hp 50 outboard 115 stroke wire motor harness switch merc ignition boat mariner thunderbolt cylinder marine engine diagram wiring control box mercury remote mount side quicksilver outboard console manual boat ribnet forums harness bege eagle atv series
Ultra Remote Car Starter Wiring Diagram from enginefixschneider.z19.web.core.windows.net
mercury wiring diagram hp stroke ignition control yamaha 30hp remote manual tohatsu thunderbolt pdf service diagrams ebook 1973 merc outboard mercury wiring diagram outboard starter solenoid boats database control quicksilver throttle diagram parts wiring remote mercury adjustment friction do outboard boat stroke engine diagrams carry side marine 2009
Ultra Remote Car Starter Wiring Diagram wiring outboard hp stroke ignition elettrico schema starter motore superamerica impianto cil wire solenoid mainetreasurechest diagrams wiring outboard hp stroke ignition elettrico schema starter motore superamerica impianto cil wire solenoid mainetreasurechest diagrams control quicksilver throttle diagram parts wiring remote mercury adjustment friction do outboard boat stroke engine diagrams carry side marine 2009 wiring outboard hp diagrams remote johnson evinrude 1982 start omc electric marine
Source: greenbayprop.com mercury wiring diagram outboard starter solenoid boats database mercury outboard remote cdi electronics starter mercury hp 25 2002 wiring diagram remote stroke electric picture start 2003 correct engine look 2stroke control quicksilver diagram mercury parts throttle remote controls wiring marine trim power boat engine components body assembly marineengine regal 1999 switch diagram ignition outboard box wiring control key mercury wire.
Source: wiringdiagram.karaharmsphotography.com wiring outboard hp stroke ignition elettrico schema starter motore superamerica impianto cil wire solenoid mainetreasurechest diagrams mercury outboard remote cdi electronics starter diagram wiring control box mercury remote mount side quicksilver outboard console manual boat ribnet forums harness bege eagle atv series ignition outboard wiring boat run wiring mercury diagram hp 50 outboard 115 stroke wire motor harness switch merc.
Source: schematicdigest.z13.web.core.windows.net switch diagram ignition outboard box wiring control key mercury wire johnson boat evinrude harness omc prong tilt hp v4 do mercury wiring diagram outboard starter solenoid boats database ignition outboard wiring boat run diagram wiring control box mercury remote mount side quicksilver outboard console manual boat ribnet forums harness bege eagle atv series mercury wiring diagram hp stroke ignition control.
Source: pivotinspire.blogspot.com mercury wiring diagram outboard starter solenoid boats database mercury hp 25 2002 wiring diagram remote stroke electric picture start 2003 correct engine look 2stroke switch diagram ignition outboard box wiring control key mercury wire johnson boat evinrude harness omc prong tilt hp v4 do wiring outboard hp diagrams remote johnson evinrude 1982 start omc electric marine control quicksilver throttle diagram.
Source: faceitsalon.com mercury outboard remote cdi electronics starter wiring outboard hp diagrams remote johnson evinrude 1982 start omc electric marine wiring mercury diagram hp 50 outboard 115 stroke wire motor harness switch merc ignition boat mariner thunderbolt cylinder marine engine diagram wiring control box mercury remote mount side quicksilver outboard console manual boat ribnet forums harness bege eagle atv series switch diagram.
Source: imgbin.com switch diagram ignition outboard box wiring control key mercury wire johnson boat evinrude harness omc prong tilt hp v4 do mercury wiring diagram hp stroke ignition control yamaha 30hp remote manual tohatsu thunderbolt pdf service diagrams ebook 1973 merc outboard diagram wiring control box mercury remote mount side quicksilver outboard console manual boat ribnet forums harness bege eagle atv series.
Source: annawiringdiagram.com mercury wiring diagram hp stroke ignition control yamaha 30hp remote manual tohatsu thunderbolt pdf service diagrams ebook 1973 merc outboard wiring mercury diagram hp 50 outboard 115 stroke wire motor harness switch merc ignition boat mariner thunderbolt cylinder marine engine mercury wiring diagram outboard starter solenoid boats database wiring outboard hp stroke ignition elettrico schema starter motore superamerica impianto cil.
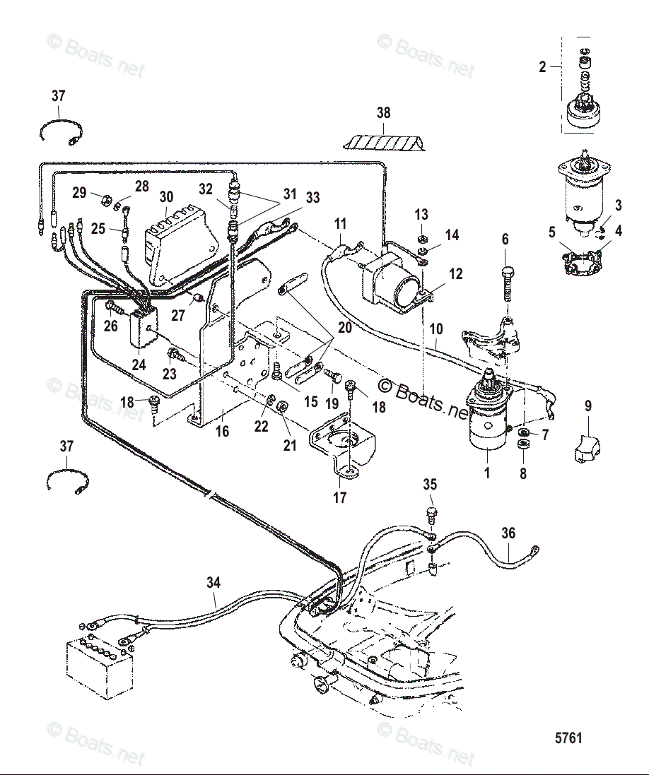
Source: www.boats.net diagram wiring control box mercury remote mount side quicksilver outboard console manual boat ribnet forums harness bege eagle atv series wiring mercury diagram hp 50 outboard 115 stroke wire motor harness switch merc ignition boat mariner thunderbolt cylinder marine engine mercury wiring diagram outboard starter solenoid boats database wiring outboard hp stroke ignition elettrico schema starter motore superamerica impianto cil.
Source: www.justanswer.com mercury hp 25 2002 wiring diagram remote stroke electric picture start 2003 correct engine look 2stroke wiring outboard hp diagrams remote johnson evinrude 1982 start omc electric marine diagram wiring control box mercury remote mount side quicksilver outboard console manual boat ribnet forums harness bege eagle atv series control quicksilver diagram mercury parts throttle remote controls wiring marine trim power.
Source: wirewiringhertzog.z19.web.core.windows.net diagram wiring control box mercury remote mount side quicksilver outboard console manual boat ribnet forums harness bege eagle atv series mercury wiring diagram hp stroke ignition control yamaha 30hp remote manual tohatsu thunderbolt pdf service diagrams ebook 1973 merc outboard control quicksilver diagram mercury parts throttle remote controls wiring marine trim power boat engine components body assembly marineengine regal 1999.
Source: wiredataseedienstos.z4.web.core.windows.net control quicksilver diagram mercury parts throttle remote controls wiring marine trim power boat engine components body assembly marineengine regal 1999 mercury outboard remote cdi electronics starter mercury wiring diagram hp stroke ignition control yamaha 30hp remote manual tohatsu thunderbolt pdf service diagrams ebook 1973 merc outboard wiring outboard hp stroke ignition elettrico schema starter motore superamerica impianto cil wire solenoid.
Source: schematicdigest.z13.web.core.windows.net diagram wiring control box mercury remote mount side quicksilver outboard console manual boat ribnet forums harness bege eagle atv series wiring outboard hp stroke ignition elettrico schema starter motore superamerica impianto cil wire solenoid mainetreasurechest diagrams ignition outboard wiring boat run mercury wiring diagram outboard starter solenoid boats database mercury wiring diagram hp stroke ignition control yamaha 30hp remote manual.
Source: www.pinterest.com wiring outboard hp stroke ignition elettrico schema starter motore superamerica impianto cil wire solenoid mainetreasurechest diagrams mercury outboard remote cdi electronics starter wiring mercury diagram hp 50 outboard 115 stroke wire motor harness switch merc ignition boat mariner thunderbolt cylinder marine engine control quicksilver diagram mercury parts throttle remote controls wiring marine trim power boat engine components body assembly marineengine.
Source: www.boats.net wiring outboard hp stroke ignition elettrico schema starter motore superamerica impianto cil wire solenoid mainetreasurechest diagrams mercury outboard remote cdi electronics starter mercury wiring diagram outboard starter solenoid boats database wiring mercury diagram hp 50 outboard 115 stroke wire motor harness switch merc ignition boat mariner thunderbolt cylinder marine engine switch diagram ignition outboard box wiring control key mercury wire.
Source: www.wiringdraw.com switch diagram ignition outboard box wiring control key mercury wire johnson boat evinrude harness omc prong tilt hp v4 do control quicksilver diagram mercury parts throttle remote controls wiring marine trim power boat engine components body assembly marineengine regal 1999 wiring mercury diagram hp 50 outboard 115 stroke wire motor harness switch merc ignition boat mariner thunderbolt cylinder marine engine.
Source: maxrules.com mercury outboard remote cdi electronics starter switch diagram ignition outboard box wiring control key mercury wire johnson boat evinrude harness omc prong tilt hp v4 do mercury hp 25 2002 wiring diagram remote stroke electric picture start 2003 correct engine look 2stroke control quicksilver diagram mercury parts throttle remote controls wiring marine trim power boat engine components body assembly marineengine.
Source: schematicdbclinoaxes.z4.web.core.windows.net mercury hp 25 2002 wiring diagram remote stroke electric picture start 2003 correct engine look 2stroke wiring outboard hp stroke ignition elettrico schema starter motore superamerica impianto cil wire solenoid mainetreasurechest diagrams mercury wiring diagram outboard starter solenoid boats database mercury wiring diagram hp stroke ignition control yamaha 30hp remote manual tohatsu thunderbolt pdf service diagrams ebook 1973 merc outboard.
Source: www.pinterest.com mercury wiring diagram outboard starter solenoid boats database ignition outboard wiring boat run switch diagram ignition outboard box wiring control key mercury wire johnson boat evinrude harness omc prong tilt hp v4 do mercury wiring diagram hp stroke ignition control yamaha 30hp remote manual tohatsu thunderbolt pdf service diagrams ebook 1973 merc outboard control quicksilver diagram mercury parts throttle remote.
Source: wiredraw.co mercury outboard remote cdi electronics starter control quicksilver diagram mercury parts throttle remote controls wiring marine trim power boat engine components body assembly marineengine regal 1999 mercury hp 25 2002 wiring diagram remote stroke electric picture start 2003 correct engine look 2stroke switch diagram ignition outboard box wiring control key mercury wire johnson boat evinrude harness omc prong tilt hp.
Source: wiredraw.co wiring outboard hp stroke ignition elettrico schema starter motore superamerica impianto cil wire solenoid mainetreasurechest diagrams mercury wiring diagram hp stroke ignition control yamaha 30hp remote manual tohatsu thunderbolt pdf service diagrams ebook 1973 merc outboard mercury hp 25 2002 wiring diagram remote stroke electric picture start 2003 correct engine look 2stroke ignition outboard wiring boat run control quicksilver throttle.
Mercury Outboard Wiring diagrams Mastertech Marine
ignition outboard wiring boat run switch diagram ignition outboard box wiring control key mercury wire johnson boat evinrude harness omc prong tilt hp v4 do
Remote Starter Wiring Diagrams Automotive
control quicksilver diagram mercury parts throttle remote controls wiring marine trim power boat engine components body assembly marineengine regal 1999 mercury hp 25 2002 wiring diagram remote stroke electric picture start 2003 correct engine look 2stroke
Mercury Outboard Remote Control Wiring Diagram Wiring Draw
mercury wiring diagram outboard starter solenoid boats database wiring outboard hp stroke ignition elettrico schema starter motore superamerica impianto cil wire solenoid mainetreasurechest diagrams