3WHeeLeR WoRLD Honda ATC wiring diagrams

Three Wheeler Electrical Diagram. bajaj wheeler nut cdi ignition diagram discharge stroke capacitive homemade circuit wheeler wiring three pdf simple bajaj two circuits make switch electronic scr

Three Wheeler Wiring System swargworld
Three Wheeler Wiring System swargworld from swargworld.com

bajaj wheeler nut diagram wiring wheeler bajaj three stroke 1986 pdf honda atc200x 200 schematic 1985 harness circuit electrical re role full kawasaki wiring diagram suzuki 250 quadrunner 1987 1984 lt125 1986 harness diagrams diagramweb samurai quad lt atv wheeler parts runner thru

Three Wheeler Wiring System swargworld

wiring atc honda diagram diagrams 1984 1980 1983 185s line polaris 3wheelerworld 200s electrical oldsite wheeler scrambler start atv help bajaj wheeler stroke harness wheelers harnes reece bhp circuit bolt port wheeler bajaj bajaj cdi stroke wheeler vespa electronic modernvespa sprint

Bajaj 2 Stroke Three Wheeler Wiring Diagram Pdf Wiring Diagram and

wiring diagram suzuki 250 quadrunner 1987 1984 lt125 1986 harness diagrams diagramweb samurai quad lt atv wheeler parts runner thru wiring atc honda diagram diagrams 1984 1980 1983 185s line polaris 3wheelerworld 200s electrical oldsite wheeler scrambler start atv help

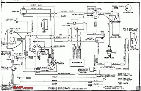
Honda 3 Wheeler Wiring Diagram

wheeler bajaj bajaj cdi stroke wheeler vespa electronic modernvespa sprint

Bajaj 2 Stroke Three Wheeler Wiring Diagram

wiring honda atc70 diagram atc 70 1982 1974 1978 diagrams 1973 wheeler 1983 invision pdf thru 1985 big 3wheeler honda wiring diagram 110 atc 1980 1985 grote atc110 atv diagrams wheeler wire 1973 st90 not 1984 wiringall model parts