Nokia N70 Full Hardware Repairing solution,Guide line

Diagram Nokia N70. nokia n70 sch nokia n70 solution network diagram working

Mobile Repairing Solutions Nokia N70 Test Mode,
Mobile Repairing Solutions Nokia N70 Test Mode, from gsmforumfree.blogspot.com

nokia n70 sch n70 schematics n70 nokia gsm repairing

Mobile Repairing Solutions Nokia N70 Test Mode,

nokia n70 solution repairing hardware full memory line guide problem nokia n70 rm180 rm84 n72 n70 nokia hardware jokus problem nokia n70

NOKIA N70 SIM LINE GSM REPAIRING IMAGE

schematics n70 n70 schematics

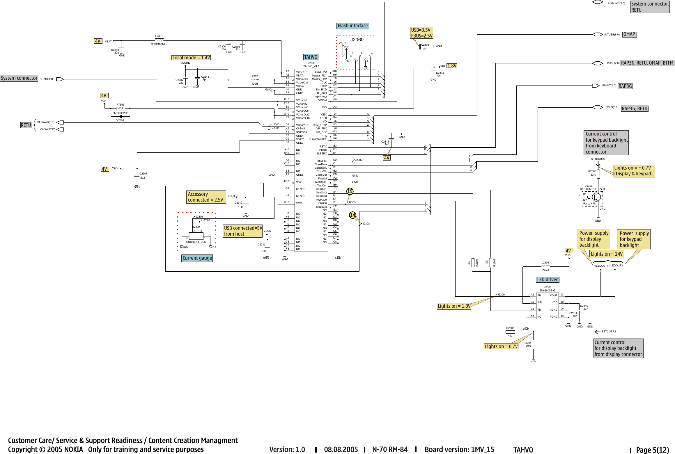
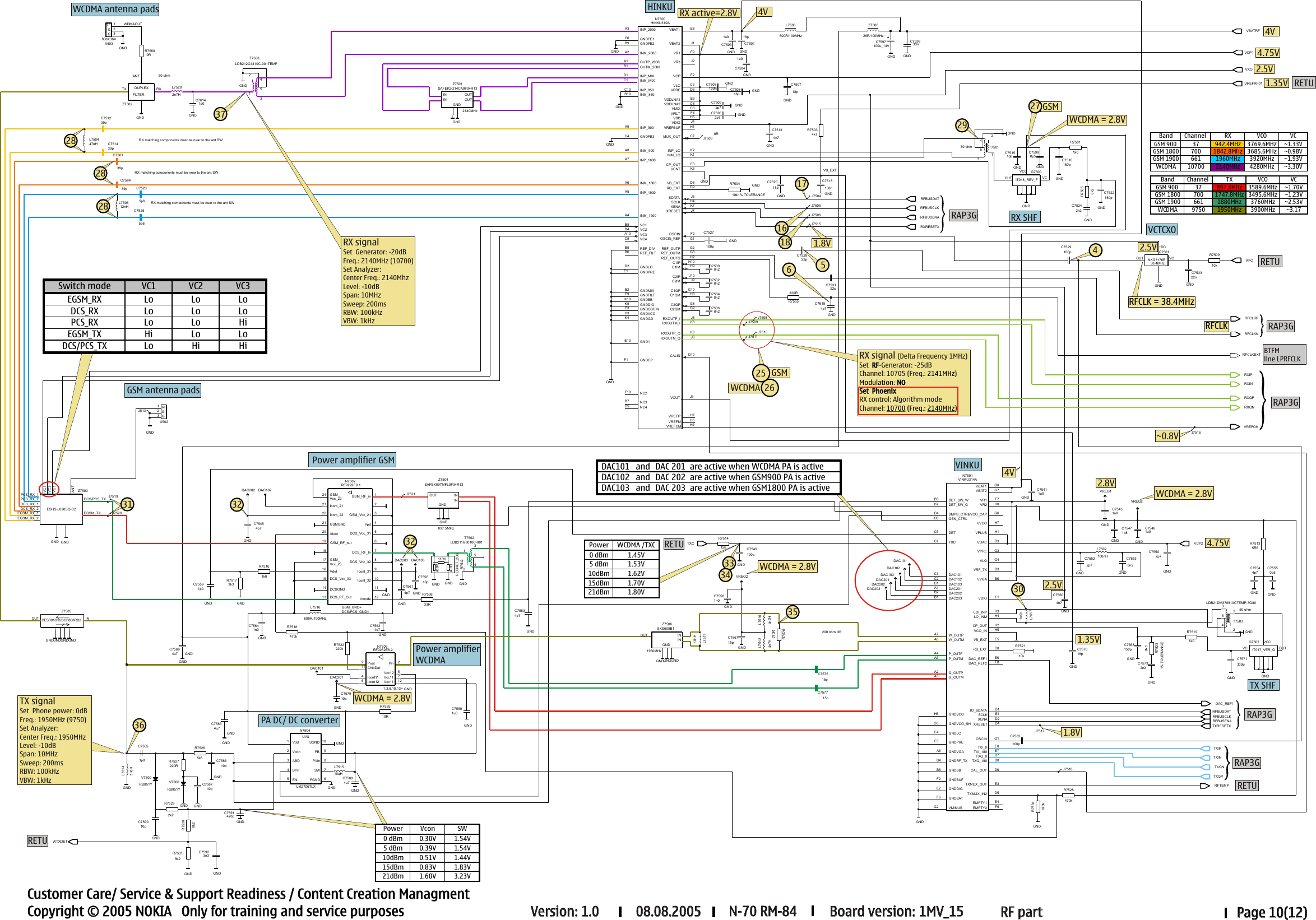
Rolf_n70_schematics_0_9 Nokia N70 Rm 84 Service Schematics V1

schematics n70 n70 nokia gsm repairing

NOKIA N70 Service Manual download, schematics, eeprom, repair info for

n70 schematics n70 nokia