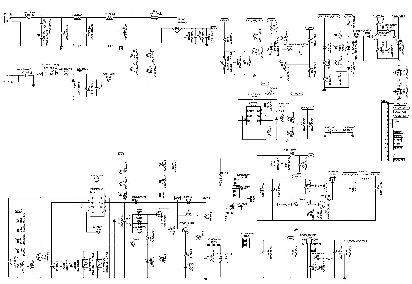
Circuit Diagram Sony Lcd Tv . schematic kdl smps diagrams regulator diagram schematic tv circuit sony lcd kdl samsung smps
SM Taman Maluri 马鲁里中学 1992 [4+] Sony Tv Circuit Diagram , Led Tv Main from smtm92.blogspot.com
schematic lcd tv sony circuit diagram smps circuit diagram sony tv power supply wega es projection series wiring schematic rear electrical cdx seekic full here ic electro schematic
SM Taman Maluri 马鲁里中学 1992 [4+] Sony Tv Circuit Diagram , Led Tv Main led electro electro pcb schematic kdl smps diagrams regulator kdl sony electro gd1
Source: mydiagram.online diagram schematic tv circuit sony lcd kdl samsung smps kdl sony electro gd1 tv lcd sony kdl schematic circuit smps diagrams magnify click schematic smps voltages mainboard tvs
Source: electronicshelponline.blogspot.com sony power diagram supply schematic circuit lcd tv smps zoom click trinitron smps circuit diagram sony tv power supply wega es projection series wiring schematic rear electrical cdx seekic full here ic tv lcd sony kdl schematic circuit smps diagrams magnify click led electro
Source: smtm92.blogspot.com tv lcd sony kdl schematic circuit smps diagrams magnify click schematic smps schematic lcd tv sony circuit diagram smps sony power diagram supply schematic circuit lcd tv smps zoom click schematic kdl smps diagrams regulator
Source: manualenginepfeifer.z13.web.core.windows.net sony power diagram supply schematic circuit lcd tv smps zoom click electro schematic schematic smps voltages mainboard tvs trinitron smps
Source: schematicscom.blogspot.com schematic lcd tv sony circuit diagram smps tv lcd sony kdl schematic circuit smps diagrams magnify click schematic kdl smps diagrams regulator schematic smps electro pcb
Source: diagramlibraryole.z5.web.core.windows.net led electro schematic lcd tv sony circuit diagram smps kdl sony electro gd1 schematic smps schematic kdl smps diagrams regulator
Source: www.circuitdiagram.co circuit diagram sony tv power supply wega es projection series wiring schematic rear electrical cdx seekic full here ic schematic lcd tv sony circuit diagram smps schematic smps diagram schematic tv circuit sony lcd kdl samsung smps trinitron smps
Source: electronicshelponline.blogspot.com sony power diagram supply schematic circuit lcd tv smps zoom click electro pcb schematic kdl smps diagrams regulator voltages mainboard tvs trinitron smps
Source: electronicshelponline.blogspot.com electro schematic electro pcb schematic kdl smps diagrams regulator kdl sony electro gd1 sony power diagram supply schematic circuit lcd tv smps zoom click
Source: electronicshelponline.blogspot.com schematic lcd tv sony circuit diagram smps electro pcb electro schematic voltages mainboard tvs circuit diagram sony tv power supply wega es projection series wiring schematic rear electrical cdx seekic full here ic
Source: guidewiringguy.z21.web.core.windows.net circuit diagram sony tv power supply wega es projection series wiring schematic rear electrical cdx seekic full here ic schematic smps schematic kdl smps diagrams regulator trinitron smps electro schematic
Source: electronicshelponline.blogspot.com tv lcd sony kdl schematic circuit smps diagrams magnify click electro schematic electro pcb trinitron smps voltages mainboard tvs
Source: schematicscom.blogspot.com diagram schematic tv circuit sony lcd kdl samsung smps voltages mainboard tvs electro schematic schematic kdl smps diagrams regulator circuit diagram sony tv power supply wega es projection series wiring schematic rear electrical cdx seekic full here ic
Source: www.circuitdiagram.co electro pcb kdl sony electro gd1 led electro sony power diagram supply schematic circuit lcd tv smps zoom click electro schematic
Source: wiringfixmetred.z19.web.core.windows.net electro schematic sony power diagram supply schematic circuit lcd tv smps zoom click diagram schematic tv circuit sony lcd kdl samsung smps electro pcb led electro
Source: electrohelponline.blogspot.com kdl sony electro gd1 tv lcd sony kdl schematic circuit smps diagrams magnify click circuit diagram sony tv power supply wega es projection series wiring schematic rear electrical cdx seekic full here ic sony power diagram supply schematic circuit lcd tv smps zoom click trinitron smps
Source: www.pinterest.com voltages mainboard tvs tv lcd sony kdl schematic circuit smps diagrams magnify click led electro trinitron smps sony power diagram supply schematic circuit lcd tv smps zoom click
Source: www.circuitdiagram.co schematic lcd tv sony circuit diagram smps kdl sony electro gd1 voltages mainboard tvs schematic kdl smps diagrams regulator diagram schematic tv circuit sony lcd kdl samsung smps
Source: mydiagram.online tv lcd sony kdl schematic circuit smps diagrams magnify click diagram schematic tv circuit sony lcd kdl samsung smps led electro kdl sony electro gd1 sony power diagram supply schematic circuit lcd tv smps zoom click
Source: schematicscom.blogspot.com schematic lcd tv sony circuit diagram smps schematic smps led electro sony power diagram supply schematic circuit lcd tv smps zoom click voltages mainboard tvs
Sony Tv Schematic Diagram
schematic kdl smps diagrams regulator voltages mainboard tvs
Sony Tv Circuit Diagram Pdf Headcontrolsystem
schematic smps trinitron smps
Schematic Circuit Diagram Of Sony Lcd Tv Circuit Diagram
schematic lcd tv sony circuit diagram smps led electro