All Wiring Diagrams for Subaru BRZ Limited 2013 model Wiring diagrams

Brz Fujitsu Wiring Diagram. brz subaru brz wiring

Subaru Brz Wiring Diagram Nz
Subaru Brz Wiring Diagram Nz from userdiagramrawhead.z4.web.core.windows.net

brz subaru wiring electrical wiring brz wiring brz somewhere

Subaru Brz Wiring Diagram Nz

brz subaru wiring electrical brz subaru wiring electrical brz subaru wiring brz somewhere

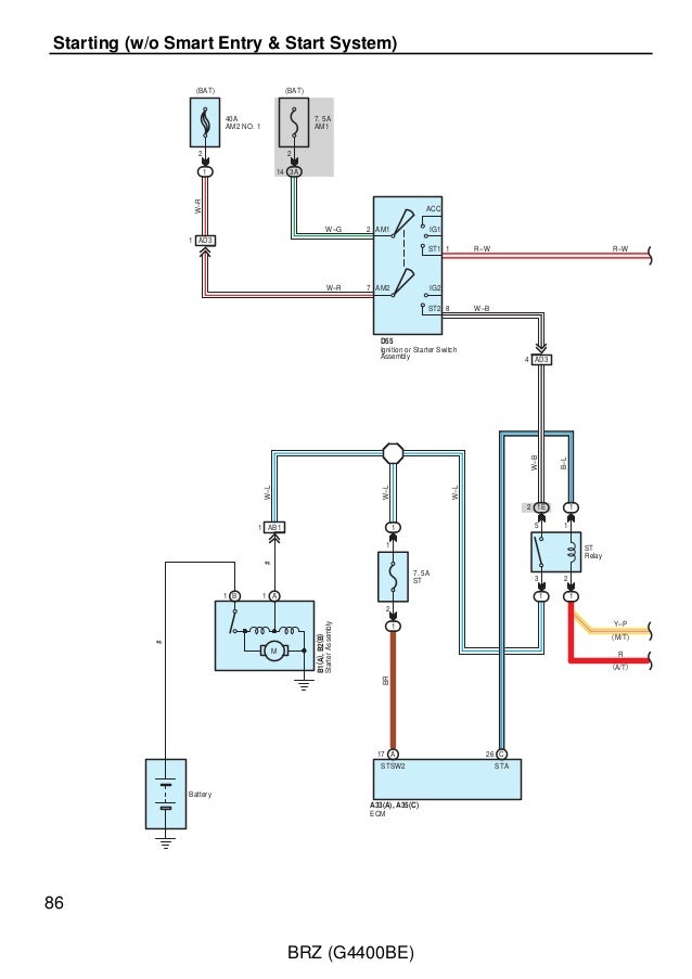
Subaru BRZ 2018 Electrical Wiring Diagrams

wiring brz somewhere brz subaru wiring electrical

[DIAGRAM] Subaru Brz Wiring Diagram Used

wiring brz brz wiring

2012 BRZ wiring service manual

brz subaru